LaTex 系列 - 4. TikZ 绘图

LaTex 中为了展示一个图片,需要使用 \includegraphics 命令,具体做法如下: - 编写 matlab/python 代码绘制曲线 - 保存图片为 pdf 格式,按照LaTex文档要求放置到指定路径 - 在 LaTex 文档中使用 \includegraphics 命令引入图片

这种方式可以在 LaTex 文档中展示图片,但是需要注意的是,图片的大小和位置需要手动调整,否则会影响文档的布局。

这里介绍一个便捷的工具 – TikZ

下面通过几个例子展示如何使用 TikZ 绘图。

例 1

1
2
3
4
5
6
7
8
9
10
11
12
13
14
15
16
17
18
19
20
21
22
23
24
25
26
27
28
29
30
31
32
33
34
35
36
37
38
39
40
41
42
43
44
45
46
\begin{tikzpicture}[>=stealth, scale=1]
% 开始 tikzpicture 环境。
% 选项:
% >=stealth 表示之后所有的箭头 (->) 默认使用 “stealth” 箭头样式;
% scale=1 图形整体缩放比例为 1(即不缩放)。

% 坐标轴
\draw[->] (0,0) -- (5,0) node[below] {$t$};
% 画横轴:
% 从坐标 (0,0) 画到 (5,0),并在终点加一个箭头(因为使用了 ->)。
% 在终点 (5,0) 上附着一个 node,位置在 below(线段下方),内容为 t,
% 作为横轴标签。

\draw[->] (0,-2.2) -- (0,2.8) node[left] {$x(t)$};
% 画纵轴:
% 从 (0,-2.2) 画到 (0,2.8),在顶部加箭头。
% 在终点处加一个 node,位置在 left(线段左侧),内容为 x(t),
% 作为纵轴标签。

\draw[dashed,gray] (0,0) -- (5,0);
% 画一条灰色虚线:
% 从 (0,0) 到 (5,0),与横轴重合,用来表示 x(t)=0 这条“零线”。

% 用公式 x(t) = 2.4 e^{-t} 画一条轨迹
\draw[thick,blue, domain=0:5, samples=100]
plot (\x,{2.4*exp(-\x)});
% 画第一条曲线:
% 线条样式:
% thick 加粗;
% blue 蓝色;
% domain=0:5 自变量 \x 的取值范围是 0 到 5;
% samples=100 在区间 [0,5] 上取 100 个采样点来近似这条曲线。
% plot (\x,{2.4*exp(-\x)}):
% TikZ 自动把 \x 当作横坐标变量;
% 纵坐标是 {2.4*exp(-\x)},即 y = 2.4 * e^{-x};
% 所以这条曲线表示解轨迹 x(t) = 2.4 e^{-t}。

% 再画一条 x(t) = -1.6 e^{-t} 的轨迹
\draw[thick,blue, domain=0:5, samples=100]
plot (\x,{-1.6*exp(-\x)});
% 第二条曲线:
% 样式同上(加粗、蓝色、[0,5] 区间、100 个采样点)。
% 纵坐标公式为 -1.6*exp(-\x),即 y = -1.6 e^{-x},
% 表示从负初值 -1.6 出发,同样指数衰减到 0 的解轨迹。

\end{tikzpicture}

运行效果 regular

例 2

1
2
3
4
5
6
7
8
9
10
11
12
13
14
15
16
17
18
19
20
21
22
23
24
25
26
27
28
29
30
31
32
33
34
35
36
37
38
39
40
41
42
43
44
45
46
47
48
49
50
51
52
53
54
55
56
57
58
59
60
61
62
63
64
65
66
67
68
\begin{tikzpicture}[>=stealth, scale=1]
% 开始 tikzpicture 环境,用来绘图。
% 选项:
% >=stealth :把之后所有 "->" 箭头的箭头样式设为 stealth;
% scale=1 :整体缩放因子为 1(不缩放,如果改成 1.2 就会整体放大 1.2 倍)。

% 坐标轴
\draw[->] (0,0) -- (5,0) node[below] {$t$};
% 画横轴:
% 从点 (0,0) 到 (5,0) 画一条直线,末端带箭头(因为使用了 "->")。
% 在终点 (5,0) 上附着一个 node,位置在 below(线段下方),内容为 t,
% 作为横轴的标签。

\draw[->] (0,-2.2) -- (0,2.8) node[left] {$x(t)$};
% 画纵轴:
% 从 (0,-2.2) 到 (0,2.8) 画一条直线,末端带箭头。
% 在终点左侧放置一个 node,内容为 x(t),作为纵轴标签。

\draw[dashed,gray] (0,0) -- (5,0);
% 画一条灰色虚线:
% 从 (0,0) 到 (5,0),与横轴重合;
% 样式为 dashed(虚线)、gray(灰色),表示 x(t)=0 的零线。

% 在 t=0 左侧标注不同的初值
\draw (0,2.4) node[left] {$x_0^{(1)}$};
% 在坐标 (0,2.4) 放一个 node,位置在该点左侧(left),
% 文本为 x_0^{(1)},表示第一条轨迹的初始值。

\draw (0,1.5) node[left] {$x_0^{(2)}$};
% 在 (0,1.5) 左侧标注 x_0^{(2)}。

\draw (0,0.7) node[left] {$x_0^{(3)}$};
% 在 (0,0.7) 左侧标注 x_0^{(3)}。

\draw (0,-0.8) node[left] {$x_0^{(4)}$};
% 在 (0,-0.8) 左侧标注 x_0^{(4)}。

\draw (0,-1.6) node[left] {$x_0^{(5)}$};
% 在 (0,-1.6) 左侧标注 x_0^{(5)}。
% 这五个标记一起表示:在 t=0 时,系统可能的五个不同初始状态 x_0^{(i)}。

% 用 x(t) = x0 * e^{-t} 画 5 条轨迹
\foreach \xzero in {2.4, 1.5, 0.7, -0.8, -1.6} {
% \foreach 是 TikZ 的循环语句:
% 循环变量 \xzero 依次取 2.4, 1.5, 0.7, -0.8, -1.6 这五个值。
% 对每个 \xzero,都执行大括号中的 \draw 命令,画出一条对应初值的轨迹。

\draw[thick,blue, domain=0:5, samples=100]
plot (\x,{\xzero*exp(-\x)});
% 对当前的初值 x0=\xzero 画出解轨迹 x(t)=x0*e^{-t}:
% thick :线条加粗;
% blue :线条颜色为蓝色;
% domain=0:5:自变量 \x 的范围是 [0,5];
% samples=100:在这个区间内取 100 个采样点来近似这条曲线。
% plot (\x,{...}):
% 横坐标为 \x,纵坐标为 \xzero*exp(-\x),
% 即从不同 x0 出发的指数衰减轨迹。
}

% \node at (2.6,2.4) {\small 好的 $F$};
% \node at (2.5,-2) {任意 $x_0$ 都收敛到 0};
% 上面两行被注释掉了(行首有 %,LaTeX 不会执行):
% 如果取消注释,它们会在指定坐标位置放置说明文字,
% 用来说明这是一个“好的 F(反馈/映射)”,任意初值都收敛到 0

\end{tikzpicture}
% 结束 tikzpicture 环境,整幅图形绘制完成。

运行效果 regular

例 3

1
2
3
4
5
6
7
8
9
10
11
12
13
14
15
16
17
18
19
20
21
22
23
24
25
26
27
28
29
30
31
32
33
34
35
36
37
38
39
40
41
42
43
44
45
\begin{tikzpicture}
% 开始一个 TikZ 图环境,pgfplots 的 axis 环境也放在 tikzpicture 里。

\begin{axis}[
% 开始 pgfplots 的坐标轴环境,用来自动生成坐标系和函数图像。
axis lines=middle,
% 让坐标轴穿过原点,并且只画两条“中间”的坐标轴(而不是四周的边框)。
% 即 x 轴和 y 轴都从原点向两边延伸,看起来像数学课本上的坐标系。
xlabel={$t$},
% 设置横轴的标签(label),显示为数学模式的 t。
ylabel={$x(t)$},
% 设置纵轴的标签,显示为数学模式的 x(t)。
xmin=0, xmax=6,
% 设置 x 轴显示范围:从 05
% 图中不会画出超过这个范围之外的内容。
ymin=-2.2, ymax=2.8,
% 设置 y 轴显示范围:从 -2.22.8
% 方便把所有轨迹都放在同一视窗里。
]
% 以上是 axis 环境的可选参数列表,方括号结束到这里。

% x(t) = 2.4 e^{-t}
\addplot[blue, thick, domain=0:5] {2.4*exp(-x)};
% 使用 pgfplots 画第一条函数曲线:
% 关键字 \addplot 表示“添加一条曲线”。
% [blue, thick, domain=0:5] 是画图选项:
% blue 曲线为蓝色;
% thick 线条加粗;
% domain=0:5 自变量 x 的取值范围是 05
% 花括号里的 {2.4*exp(-x)} 是函数表达式:
% 变量名是 x(pgfplots 约定俗成);
% 表示 y = 2.4 * e^{-x},即 x(t)=2.4 e^{-t} 这条指数衰减曲线。

% x(t) = -1.6 e^{-t}
\addplot[blue, thick, domain=0:5] {-1.6*exp(-x)};
% 第二条函数曲线:
% 同样是蓝色、加粗、定义域 0~5
% 函数为 y = -1.6 * e^{-x},即从负初始值 -1.6 出发的衰减轨迹。
% 两条曲线一起表示不同初始值的解,都随 t 增大而趋向 0

\end{axis}
% 结束坐标轴环境,坐标系和里面画的函数到此为止。

\end{tikzpicture}
% 结束 tikzpicture 环境,这个图形块就画完了。

运行效果 regular

例 4

1
2
3
4
5
6
7
8
9
10
11
12
13
14
15
16
17
18
19
20
21
22
23
24
25
26
27
28
29
30
31
32
33
34
35
36
37
38
39
40
41
42
43
44
45
46
47
48
49
50
51
52
53
54
55
56
57
58
59
60
61
62
63
64
65
66
67
68
69
70
71
72
73
74
75
76
77
78
79
80
81
82
83
84
85
86
87
88
89
90
91
92
93
94
95
96
97
98
99
100
101
102
103
\usetikzlibrary{arrows.meta,positioning,shapes.geometric}

\begin{tikzpicture}[
% 开始TikZ图形环境,方括号内是全局样式设置
>=Stealth,
% 设置默认箭头类型为Stealth(三角形尖头箭头)
box/.style={
% 定义名为"box"的样式,用于两个蓝色方框
rectangle,
% 形状为矩形
rounded corners=15pt,
% 圆角半径为15pt,使矩形四角变圆
minimum width=5cm,
% 最小宽度5厘米
minimum height=1.8cm,
% 最小高度1.8厘米
fill=blue!60,
% 填充颜色为60%蓝色(蓝色与白色混合60:40
draw=blue!70,
% 边框颜色为70%蓝色
line width=2pt,
% 边框线宽2pt
text=white,
% 文字颜色为白色
font=\Large\bfseries,
% 字体为Large大小且加粗
align=center
% 文字居中对齐
},
title/.style={
% 定义名为"title"的样式,用于红色标题框
rectangle,
% 形状为矩形
minimum width=7cm,
% 最小宽度7厘米
minimum height=1.2cm,
% 最小高度1.2厘米
fill=red!80!black,
% 填充颜色:80%红色+20%黑色,产生深红色
text=white,
% 文字颜色为白色
font=\huge\bfseries
% 字体为huge大小且加粗
},
arrow/.style={
% 定义名为"arrow"的样式,用于弧形箭头
line width=4pt,
% 箭头线宽4pt
blue!70,
% 箭头颜色为70%蓝色
->,
% 线条末端添加箭头
>=Stealth
% 箭头样式为Stealth型
}
]
% 样式定义结束

% 标题
\node[title] (title) at (0, 3.8) {Feedback Loop};
% 创建一个节点:
% [title]: 应用之前定义的title样式
% (title): 给这个节点命名为title(虽然后面没用到这个名字)
% at (0, 2.8): 位置在坐标(0, 2.8),即x=0, y=2.8
% {Feedback Loop}: 节点中显示的文字内容

% 左侧方框
\node[box] (action) at (-3.2, 0) {Action or Stimulus};
% 创建左侧蓝色方框:
% [box]: 应用box样式
% (action): 节点命名为action,后面绘制箭头时会用到
% at (-3.2, 0): 位置在x=-3.2, y=0(左侧)
% {Action or Stimulus}: 显示的文字

% 右侧方框
\node[box] (response) at (3.2, 0) {Response (Feedback)};
% 创建右侧蓝色方框:
% [box]: 应用box样式
% (response): 节点命名为response
% at (3.2, 0): 位置在x=3.2, y=0(右侧)
% {Response (Feedback)}: 显示的文字

% 上方弧形箭头(从左到右)- 从标题下方经过
\draw[arrow] (action.north) to[out=70, in=110] (response.north);
% 绘制上方的弧形箭头:
% [arrow]: 应用arrow样式
% (action.north): 起点是action节点的北侧(上方中心点)
% to[out=70, in=110]: 使用贝塞尔曲线连接
% out=70: 从起点以70度角度出发(0度是正右,90度是正上)
% in=110: 以110度角度进入终点
% (response.north): 终点是response节点的北侧

% 下方弧形箭头(从右到左)
\draw[arrow] (response.south) to[out=-110, in=-70] (action.south);
% 绘制下方的弧形箭头:
% [arrow]: 应用arrow样式
% (response.south): 起点是response节点的南侧(下方中心点)
% to[out=-110, in=-70]: 使用贝塞尔曲线
% out=-110: 从起点以-110度(即向左下)出发
% in=-70: 以-70度(即从右下)进入终点
% (action.south): 终点是action节点的南侧

\end{tikzpicture}

运行效果 regular

例 5

1
2
3
4
5
6
7
8
9
10
11
12
13
14
15
16
17
18
19
20
21
22
23
24
25
26
27
28
29
30
31
32
33
34
35
36
37
38
39
40
41
42
43
44
45
46
47
48
49
50
51
52
53
54
55
56
57
58
59
60
61
62
63
64
65
66
67
68
69
70
71
72
73
74
75
76
77
78
79
80
81
82
83
84
85
86
87
88
89
90
91
92
93
94
95
96
97
98
99
100
101
102
103
104
105
106
107
108
109
110
111
112
113
114
115
116
117
118
119
120
121
122
123
124
125
126
127
128
129
130
131
132
133
134
135
136
137
138
139
140
141
142
143
144
145
146
147
148
149
150
151
152
153
154
155
156
157
158
159
160
161
162
163
164
165
166
167
168
169
170
171
172
173
174
175
176
177
178
179
180
181
182
183
184
185
186
187
188
189
190
191
192
193
194
195
196
197
198
199
200
201
202
203
204
205
206
207
208
209
210
211
212
213
214
215
216
217
218
219
220
221
222
223
224
225
226
227
228
229
230
231
232
233
234
235
236
237
238
239
240
241
242
243
244
245
246
247
248
249
250
251
252
253
254
255
256
257
258
259
260
261
262
263
264
265
266
267
268
269
270
271
272
273
274
275
276
277
278
279
280
281
282
283
284
285
286
287
288
289
290
291
292
293
294
295
296
297
298
299
300
301
302
303
304
305
306
307
308
309
310
311
312
313
314
315
316
317
318
319
320
321
322
\usetikzlibrary{arrows.meta,positioning,calc,fit}
%\usepackage{mathptmx} % Times New Roman 字体

\begin{tikzpicture}[
% 开始TikZ绘图环境,方括号内定义全局样式
>=Stealth,
% 设置默认箭头样式为Stealth(三角形箭头)
thick,
% 设置所有线条为粗线
% 定义各种节点样式
block/.style={
% 定义名为"block"的样式,用于绘制方框(如P、I、D、System)
draw,
% 绘制边框
rectangle,
% 形状为矩形
minimum height=1cm,
% 最小高度1厘米
minimum width=2cm,
% 最小宽度2厘米
align=center,
% 文本居中对齐
line width=0.8pt
% 边框线宽0.8pt
},
sum/.style={
% 定义名为"sum"的样式,用于绘制求和器(圆圈)
draw,
% 绘制边框
circle,
% 形状为圆形
inner sep=0pt,
% 内部间距为0(文字紧贴边框)
minimum size=8mm,
% 圆的最小直径8毫米
line width=0.8pt
% 边框线宽0.8pt
},
dashedbox/.style={
% 定义名为"dashedbox"的样式,用于绘制虚线框
draw=cyan!60,
% 边框颜色为60%青色
dashed,
% 边框为虚线
line width=1pt,
% 虚线线宽1pt
rounded corners=3pt,
% 圆角半径3pt
inner sep=8pt
% 内部间距8pt(框与内容的距离)
},
label/.style={
% 定义名为"label"的样式,用于虚线框上方的标签文字
font=\small,
% 字体大小为small
cyan!70!blue
% 颜色为70%青色+30%蓝色的混合色
}
]
% 全局样式定义结束

% 主要节点定义
% 求和器1(比较器)
\node[sum] (sum1) at (0,0) {$\Sigma$};
% 创建第一个求和器节点:
% [sum]: 应用sum样式
% (sum1): 节点命名为sum1
% at (0,0): 位置在坐标原点
% {$\Sigma$}: 显示求和符号Σ

% 积分环节
\node[block] (integral) at (4,0) {$\displaystyle\text{I}\quad K_i\int e(t)dt$};
% 创建积分环节节点:
% [block]: 应用block样式
% (integral): 命名为integral
% at (4,0): 位置在x=4, y=0
% \displaystyle: 使积分符号以显示模式(更大)显示
% \text{I}: 文本模式显示字母I
% \quad: 添加一个空格
% K_i\int e(t)dt: 积分公式

% 求和器2
\node[sum] (sum2) at (7.5,0) {$\Sigma$};
% 创建第二个求和器
% at (7.5,0): 位置在x=7.5, y=0

% 系统
\node[block, minimum width=2.5cm] (system) at (11,0) {System};
% 创建系统方框:
% minimum width=2.5cm: 覆盖默认宽度,设为2.5cm
% (system): 命名为system
% at (11,0): 位置在x=11, y=0

% 比例环节
\node[block, minimum width=2cm] (prop) at (4,2.2) {$\text{P}\quad K_p e(t)$};
% 创建比例环节(P控制器):
% at (4,2.2): 位置在x=4, y=2.2(上方)
% (prop): 命名为prop

% 微分环节
\node[block, minimum width=2cm] (diff) at (4,-2.2) {$\displaystyle\text{D}\quad K_d\frac{de(t)}{dt}$};
% 创建微分环节(D控制器):
% at (4,-2.2): 位置在x=4, y=-2.2(下方)
% (diff): 命名为diff
% \frac{de(t)}{dt}: 微分符号

% 输入输出节点
\node[left=1.5cm of sum1] (input) {$r(t)$};
% 创建输入节点:
% left=1.5cm of sum1: 在sum1节点左侧1.5cm处
% (input): 命名为input
% {$r(t)$}: 显示输入信号r(t)

\node[right=1.5cm of system] (output) {$y(t)$};
% 创建输出节点:
% right=1.5cm of system: 在system节点右侧1.5cm处
% (output): 命名为output

% 虚线框1:Comparator
\node[dashedbox, fit=(sum1), label distance=2mm] (comp-box) {};
% 创建比较器虚线框:
% [dashedbox]: 应用虚线框样式
% fit=(sum1): 自动调整大小以包围sum1节点
% label distance=2mm: 标签距离(未直接使用)
% (comp-box): 命名为comp-box
% {}: 节点内容为空(只显示边框)

\node[label, above=2mm of comp-box.north] {Comparator};
% 在虚线框上方创建"Comparator"文字标签:
% [label]: 应用label样式
% above=2mm of comp-box.north: 在comp-box的北侧(上方)上方2mm处

% 虚线框2:Loop Filter
\coordinate (filter-nw) at ([xshift=-8mm, yshift=10mm]prop.north west);
% 定义Loop Filter虚线框的西北角坐标:
% \coordinate: 定义一个坐标点(不可见)
% (filter-nw): 命名为filter-nw(northwest)
% [xshift=-8mm, yshift=10mm]: 相对于prop.north west(比例环节左上角)
% 向左偏移8mm,向上偏移10mm

\coordinate (filter-se) at ([xshift=8mm, yshift=-10mm]diff.south east);
% 定义Loop Filter虚线框的东南角坐标:
% (filter-se): 命名为filter-se(southeast)
% 相对于diff.south east(微分环节右下角)
% 向右偏移8mm,向下偏移10mm

\node[dashedbox, fit={(filter-nw)(filter-se)(sum2)}] (filter-box) {};
% 创建Loop Filter虚线框:
% fit={(filter-nw)(filter-se)(sum2)}: 自动调整大小以包围这三个点/节点
% 这样就创建了一个包含P、I、D和sum2的大虚线框

\node[label, above=2mm of filter-box.north] {Loop Filter};
% 在虚线框上方创建"Loop Filter"文字标签

% 绘制连接线 - 全部横平竖直
% 输入到求和器1
\draw[->] (input) -- (sum1);
% 从input节点画箭头到sum1节点
% [->]: 表示线的末端有箭头
% --: 直线连接

% 求和器1后的分支点
\coordinate (branch1) at ([xshift=1.5cm]sum1.east);
% 定义一个分支点坐标:
% (branch1): 命名为branch1
% at ([xshift=1.5cm]sum1.east): 在sum1的东侧(右侧)向右1.5cm处
% 这个点用于信号分成三路(P、I、D)

% 求和器1到分支点,标注e(t)
\draw[->] (sum1.east) -- (branch1) node[pos=0.5, above, font=\small] {$e(t)$};
% 从sum1的右侧画箭头到分支点:
% node[pos=0.5, above, font=\small] {$e(t)$}: 在线段中点(pos=0.5
% 上方添加文字标签e(t)

% 分支点到比例环节(先竖直后水平)
\draw (branch1) |- (prop.west);
% 从branch1到prop.west画线:
% |-: 先水平后竖直的连接方式(实际这里是先竖直后水平,因为目标在上方)

\draw[->] ([xshift=-0.3cm]prop.west) -- (prop.west);
% 在比例环节入口处画一小段箭头:
% [xshift=-0.3cm]prop.west: 从prop左侧向左0.3cm的位置
% 到prop.west: 箭头指向比例环节
% 这样做是为了让箭头出现在入口处而不是转角处

% 分支点到积分环节(水平直线)
\draw[->] (branch1) -- (integral.west);
% 从分支点直接画箭头到积分环节左侧
% 因为在同一水平线上,所以是直线

% 分支点到微分环节(先竖直后水平)
\draw (branch1) |- (diff.west);
% 从分支点到微分环节,先竖直下降再水平到达

\draw[->] ([xshift=-0.3cm]diff.west) -- (diff.west);
% 在微分环节入口处添加箭头

% 比例环节到求和器2(先水平后竖直)
\coordinate (prop-corner) at ([xshift=2.3cm]prop.east);
% 定义比例环节输出的转角点:
% (prop-corner): 命名为prop-corner
% at ([xshift=2.3cm]prop.east): 在prop右侧向右2.3cm处

\draw (prop.east) -- (prop-corner);
% 从比例环节右侧画线到转角点(水平线)

\draw[->] (prop-corner) |- (sum2.north);
% 从转角点画线到sum2的北侧(上方):
% |-: 先竖直后水平到达(这里是竖直下降)
% 箭头指向sum2的上方入口

% 积分环节到求和器2(水平直线)
\draw[->] (integral.east) -- (sum2.west);
% 从积分环节右侧直接画箭头到sum2左侧
% 在同一水平线上

% 微分环节到求和器2(先水平后竖直)
\coordinate (diff-corner) at ([xshift=2.3cm]diff.east);
% 定义微分环节输出的转角点

\draw (diff.east) -- (diff-corner);
% 从微分环节右侧画线到转角点(水平线)

\draw[->] (diff-corner) |- (sum2.south);
% 从转角点画线到sum2的南侧(下方)
% 竖直上升后到达sum2下方入口

% 求和器2到系统,标注u(t)
\draw[->] (sum2.east) -- (system.west) node[pos=0.5, above, font=\small] {$u(t)$};
% 从sum2右侧画箭头到system左侧
% 在中点上方标注u(t)

% 系统到输出
\draw[->] (system.east) -- (output);
% 从system右侧画箭头到output节点

% 反馈线 - 横平竖直
\coordinate (fb-right) at ([xshift=1cm]system.east);
% 定义反馈线的第一个转角点:
% (fb-right): 命名为fb-right
% at ([xshift=1cm]system.east): 在system右侧向右1cm处

\coordinate (fb-bottom) at (fb-right |- 0,-4);
% 定义反馈线底部的点:
% (fb-bottom): 命名为fb-bottom
% at (fb-right |- 0,-4): 使用垂直投影语法
% x坐标与fb-right相同,y坐标为-4
% 这样确保竖直下降

\coordinate (fb-left) at (sum1.south |- fb-bottom);
% 定义反馈线左侧的转角点:
% (fb-left): 命名为fb-left
% at (sum1.south |- fb-bottom):
% x坐标与sum1.south相同,y坐标与fb-bottom相同
% 这样确保水平线对齐

\draw (output) -- (fb-right);
% 从output画线到第一个转角点(水平线)

\draw (fb-right) -- (fb-bottom);
% 从第一个转角点画线到底部(竖直线)

\draw (fb-bottom) -- (fb-left);
% 从底部画线到左侧转角点(水平线)

\draw[->] (fb-left) -- (sum1.south);
% 从左侧转角点画箭头到sum1的南侧(下方)
% 竖直上升,箭头指向sum1

% 求和器的加减号
\node[font=\scriptsize] at ($(sum1.north west)+(0.15,-0.15)$) {$+$};
% 在sum1的西北角内侧位置添加加号:
% [font=\scriptsize]: 字体为scriptsize(很小)
% at ($(sum1.north west)+(0.15,-0.15)$): 使用calc库计算坐标
% $(...)$: calc语法
% sum1.north west: sum1的西北角(左上角)
% +(0.15,-0.15): 向右0.15,向下0.15

\node[font=\scriptsize] at ($(sum1.south west)+(0.15,0.15)$) {$-$};
% 在sum1的西南角内侧位置添加减号
% 向右0.15,向上0.15

\node[font=\scriptsize] at ($(sum2.north)+(0,0.15)$) {$+$};
% 在sum2的正上方内侧添加加号
% 向下0.15(进入圆内)

\node[font=\scriptsize] at ($(sum2.west)+(0.2,0)$) {$+$};
% 在sum2的正左侧内侧添加加号
% 向右0.2(进入圆内)

\node[font=\scriptsize] at ($(sum2.south)+(0,-0.15)$) {$+$};
% 在sum2的正下方内侧添加加号
% 向上0.15(进入圆内,用负值表示向下移动-0.15

% 底部说明文字 - 居中显示
\coordinate (center) at (6,0);
% 定义图形的中心点坐标:
% (center): 命名为center
% at (6,0): 大致在整个图形的水平中央

\node[below=4.8cm of center, font=\small] (labels) {
% 创建说明文字节点:
% below=4.8cm of center: 在center点下方4.8cm处
% [font=\small]: 字体大小为small
% (labels): 命名为labels

$r(t) = \text{System Setpoint}$ \qquad
% 第一项说明
% \qquad: 添加较大的水平间距

$e(t) = \text{Error Signal}$ \qquad
% 第二项说明

$u(t) = \text{Control Signal}$ \qquad
% 第三项说明

$y(t) = \text{System Output}$
% 第四项说明
};
% 所有说明文字在一个节点中,自动居中对齐

\end{tikzpicture}

运行效果 regular

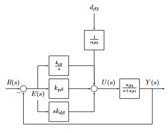
例 6

1
2
3
4
5
6
7
8
9
10
11
12
13
14
15
16
17
18
19
20
21
22
23
24
25
26
27
28
29
30
31
32
33
34
35
36
37
38
39
40
41
42
43
44
45
46
47
48
49
50
51
52
53
54
55
56
57
58
59
60
61
62
63
64
65
66
67
68
69
70
71
72
73
74
75
76
77
78
79
80
81
82
83
84
85
86
87
88
89
90
91
92
93
94
95
96
97
98
99
100
101
102
103
104
105
106
107
108
109
110
111
112
113
114
115
116
117
118
119
120
121
122
123
124
125
126
127
128
129
130
131
132
133
134
135
136
137
138
139
140
141
142
143
144
145
146
147
148
149
150
151
152
153
154
155
156
157
158
\usetikzlibrary{shapes,arrows,positioning,calc}
% 加载 TikZ 的几个库:
% shapes :提供各种形状(矩形、圆、椭圆等)的高级样式;
% arrows :提供箭头样式(latex, stealth 等);
% positioning:支持相对定位语法,如 right of=...、above of=...;
% calc :支持坐标计算,如 ($(A)+(1,0)$)。

\tikzset{
block/.style = {draw, fill=white, rectangle, minimum height=3em, minimum width=3em},
% 定义一个通用样式 block:
% draw :画出边框;
% fill=white :内部填充为白色;
% rectangle :矩形形状;
% minimum height :最小高度 3em;
% minimum width :最小宽度 3em。
% 以后写 [block] 就等价于使用这些属性。
tmp/.style = {coordinate},
% 定义 tmp 样式为 coordinate 类型:
% 这种节点本身没有可见形状,只是用来当“坐标点/连接点”。
sum/.style= {draw, fill=white, circle, node distance=1cm},
% 定义 sum 样式:
% 画边框 draw;
% 填充白色 fill=white;
% circle:圆形节点;
% node distance=1cm:默认节点间距 1cm(供 positioning 库用)。
input/.style = {coordinate},
% input 样式:仅仅是一个坐标点,用来当输入端。
output/.style= {coordinate},
% output 样式:同上,用来当输出端。
pinstyle/.style = {pin edge={to-,thin,black}
% pinstyle 样式:用于带 pin 的节点时,pin 连接线使用 “to-” 线型、细线、黑色。
% 本段代码中没真正用到 pinstyle,但预定义了一个方便以后使用的样式。
}
}


\begin{tikzpicture}[auto, node distance=2cm,>=latex']
% 开始 tikzpicture 环境。
% 选项:
% auto :自动选择边上标签的方向(上/下/左/右);
% node distance=2cm:默认节点之间的距离为 2cm(给 positioning 库用);
% >=latex' :箭头默认使用 latex' 样式(LaTeX 风格的箭头)。

\node [input, name=rinput] (rinput) {};
% 定义一个 input 类型的节点:
% 样式为 [input](即 coordinate),所以是一个“不可见点”;
% name=rinput(可选)和 (rinput) 都给它取名为 rinput,方便后续引用;
% 花括号 {} 中无内容,所以不显示文字。
% 这是整个框图最左边的输入坐标。

\node [sum, right of=rinput] (sum1) {};
% 定义一个 sum 节点(圆形求和点):
% 位置:right of=rinput,表示在 rinput 右侧,距离由 node distance 控制(2cm);
% 名字为 sum1;
% 内容为空,所以只是一个空圆圈(可以在上面叠加 +, - 等符号)。

\node [block, right of=sum1] (controller) {$k_{p\beta}$};
% 定义一个 block 节点(矩形):
% 在 sum1 右侧(2cm);
% 名字 controller;
% 内部文字为 $k_{p\beta}$,表示比例环节。

\node [block, above of=controller,node distance=1.3cm] (up){$\frac{k_{i\beta}}{s}$};
% 定义一个 block 节点:
% 在 controller 正上方 1.3cm 处(覆盖默认 node distance);
% 名字 up;
% 内部文字为积分环节:k_{iβ}/s。

\node [block, below of=controller,node distance=1.3cm] (rate) {$sk_{d\beta}$};
% 定义一个 block 节点:
% 在 controller 正下方 1.3cm 处;
% 名字 rate;
% 内部文字为微分环节:s k_{dβ}。

\node [sum, right of=controller,node distance=2cm] (sum2) {};
% 在 controller 右侧 2cm 处定义第二个求和节点 sum2(圆)。

\node [block, above = 2cm of sum2](extra){$\frac{1}{\alpha_{\beta2}}$}; %
% 在 sum2 上方 2cm 处定义一个额外的 block:
% 名字 extra;
% 内部为 1/α_{β2},表示某个额外模块/通道对 sum2 的输入。

\node [block, right of=sum2,node distance=2cm] (system)
{$\frac{a_{\beta 2}}{s+a_{\beta 1}}$};
% 在 sum2 右侧 2cm 处定义被控对象模块 system:
% 传递函数为 a_{β2}/(s + a_{β1})。

\node [output, right of=system, node distance=2cm] (output) {};
% 在 system 右侧 2cm 处定义输出坐标节点 output(不可见坐标点)。

\node [tmp, below of=controller] (tmp1){$H(s)$};
% 在 controller 下方(默认节点距离 2cm)定义一个 tmp 节点 tmp1:
% 样式是 coordinate(不可见),但这里在花括号里写了 $H(s)$,
% 所以会在这个位置显示文字 H(s);
% 通常用来标注反馈路径的传递函数 H(s)。

\draw [->] (rinput) -- node{$R(s)$} (sum1);
% 从 rinput 到 sum1 画一条带箭头的连线:
% 在线的中间加一个 node,内容为 R(s),表示参考输入信号 R(s)。

\draw [->] (sum1) --node[name=z,anchor=north]{$E(s)$} (controller);
% 从 sum1 到 controller 画箭头:
% 在线段中添加一个 node:
% name=z :这个标签节点命名为 z,后面可以拿它当“坐标”使用;
% anchor=north:z 这个 node 的北侧锚点贴在线上(让文字在下面);
% 内容为 E(s),表示误差信号 E(s)。

\draw [->] (controller) -- (sum2);
% 从比例通道 controller 输出到 sum2 的主通道箭头。

\draw [->] (sum2) -- node{$U(s)$} (system);
% 从 sum2 到 system 的箭头:
% 在线的中间加文字 U(s),表示控制信号 U(s)。

\draw [->] (system) -- node [name=y] {$Y(s)$}(output);
% 从 system 到 output 的箭头:
% 在线中间加 node,名字为 y,内容为 Y(s),表示输出信号;
% 之后会用 (y) 作为反馈回路的起点。

\draw [->] (z) |- (rate);
% 从标签节点 z(即 E(s) 那个标签的坐标)出发:
% 使用 |- 路径语法:先竖直再水平拐弯,
% 画到 rate(微分通道);
% 表示误差信号 E(s) 同时送入微分支路。

\draw [->] (rate) -| (sum2);
% 从 rate 输出到 sum2:
% 使用 -|:先水平再竖直拐弯,接入 sum2;
% 表示微分支路的输出与主通道在 sum2 汇总。

\draw [->] (z) |- (up);
% 从 E(s) 标签(z)到积分通道 up:
% E(s) 同时送入积分支路。

\draw [->] (up) -| (sum2);
% 从积分支路 up 输出回到 sum2 相加。

\draw [->] (y) |- (tmp1)-| node[pos=0.99] {$-$} (sum1);
% 从输出标签 y(即 Y(s) 的位置)出发:
% |- 到 tmp1:先竖直再水平拐弯,达到 H(s) 标注的位置;
% 再 -| 到 sum1:从 tmp1 绕回 sum1,下侧形成反馈闭环;
% 在这条路径上,用 node[pos=0.99] {$-$} 在接近终点的位置标一个减号“−”,
% 表示在 sum1 处是负反馈(反馈信号带负号)。

\draw [->] (extra)--(sum2);
% 从 extra 模块(1/α_{β2})输出到 sum2:
% 表示一个外部输入 d_{β2} 经过 extra 后也加到 sum2 中。

\draw [->] ($(0,1.5cm)+(extra)$)node[above]{$d_{\beta 2}$} -- (extra);
% 使用 calc 库的坐标计算:
% $(extra)$ 表示 extra 节点的坐标;
% $(0,1.5cm)+(extra)$ 表示在 extra 上方 1.5cm 的位置;
% 从这个上方的点画一条箭头指向 extra。
% 在线段起点处放置一个 node[above]{$d_{\beta 2}$}:
% 文字 d_{β2} 显示在这条箭的上方,表示外部扰动/输入 d_{β2}。

\end{tikzpicture}
% 结束整个控制框图的绘制。

运行效果 regular


LaTex 系列 - 4. TikZ 绘图
http://yylustb.github.io/2025/11/14/code/Latex/latex_4-Tikz-2025-11-14/
作者
yylustb
发布于
2025年11月14日
许可协议